完全滿足國家標準GB51251-2017<建筑防煙排煙系統技術標準>
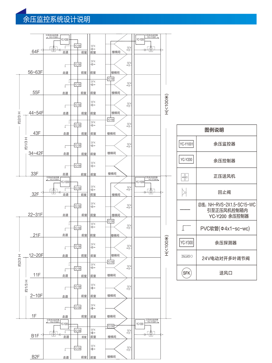
與余壓控制器、余壓傳感器、泄壓閥執行器等配套,靈活構建大容量疏散通道的余壓監控系統
可通過余壓控制器監控疏散通道余壓變化,適應現代建筑復雜多變的要求
可實時顯示余壓控制器的“開啟/關閉/故障”狀態;可遠程控制余壓控制器的開啟/關閉;任意分布布線,簡化工程方案;



與余壓控制器、余壓傳感器、泄壓閥執行器等配套,靈活構建大容量疏散通道的余壓監控系統 可通過余壓控制器監控疏散通道余壓變化,適應現代建筑復雜多變的要求 可實時顯示余壓控制器的“開啟/關閉/故障”狀態;可遠程控制余壓控制器的開啟/關閉;任意分布布線,簡化工程方案;" />
